THÔNG SỐ KỸ THUẬT CỦA MÁY HÚT MÙI BOSCH DHL755BL
Tính năng của máy hút mùi Bosch DHL755BL
+ Công suất hút theo tiêu chuẩn DIN/EN 61591:640 m³/h
+ Độ ồn tối đa theo tiêu chuẩn EN 60704-3 and EN 60704-2-13:: 69dB
+ Máy hút mùi Bosch DHL755BL dùng hai động cơ
+ DHL755BL có 3 mức công suất thông thường và 1 mức công suất tăng cường
+ Thích hợp hút xả tải hoặc tuần hoàn
+ Hai tấm lọc mỡ có thể dùng với máy rửa bát
Thiết kế của máy hút mùi âm tủ Bosch DHL755BL
– Thiết kế dạng âm tủ Canopy
– Mặt hút mùi bằng thép không rỉ
– Điều khiển dạng nút nhấn
– Hai đèn chiếu sang Halogen: 2x20W
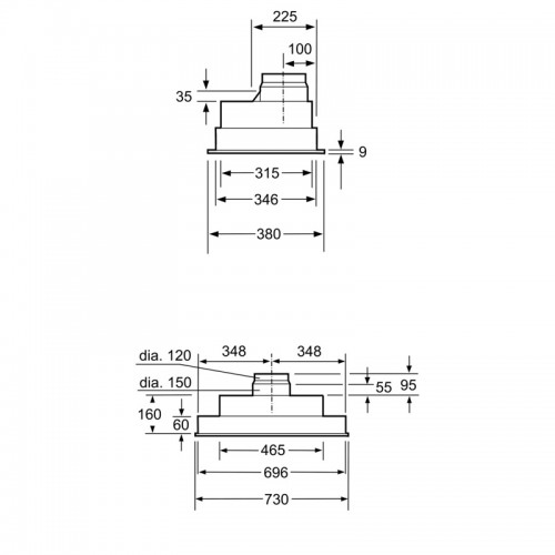
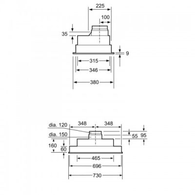
Thông số kỹ thuật của DHL755BL
– Đường kính đầu ra: 120mm hoặc 150 mm
– Kích thước sản phẩm: C255 x R730 x S380mm
– Kích thước hộc tủ: C255 x R700 x S350mm
– Chiều dài dây cắm: 130cm
– Công suất tiêu thụ: 240W
– Tần số: 50 Hz
– Hiệu điện thế: 220-240 V











Đánh giá
Chưa có đánh giá nào.